9 Tips to Increase the
Operational Life of Inflatable Seals

1. Choose The Correct Material
Material plays an essential role in the life of an inflatable seal. Every application is unique. An inflatable seal comes with its requirements of pressure, temperature, abrasion, and chemical resistance. Each of these requirements has to be considered when choosing a suitable material for an inflatable seal.
Let’s take an example: John lives in Canada, where the winter temperature can go up to -50° C. He wants to seal his garage in winters to prevent heat loss. In such a case, John’s material options are limited to Silicone, NBR, and Fluorosilicone.
Here Silicone is the best option. Silicone is comparatively cheap and it can easily withstand low temperatures. It has excellent weather resistance properties.
Had he chosen Fluorosilicone, he would be paying 3x the cost for this material, and NBR would not promise him the required operational life. Therefore, choosing the right material has a very significant role to play when designing an inflatable seal.
For more information on materials and their properties, refer to Western Rubbers’ Material Comparison Chart.

2. Inflation Gap
Inflation Gap should be as minimum as possible. For most inflatable seals, the ideal inflation gap should be anywhere between 4-5 mm. Lesser than this may cause problems during installation, as the groove and seal tolerances will affect the fitment. Very high gaps would cause increased wear and tear in seal material, thereby decreasing the seal life in the longer run.
For more details on our standard inflatable seal profiles along with their recommended inflation gaps, check https://www.westernrubbers.com/inflatable-seals/.

3. Surface Finish Of The Installation Groove
The surface finish of the groove should have an Ra Value of <1. This is preferable for better sealing results and increased seal life. Anything higher than Ra 20 should be avoided. If the application requirements are such that rough surfaces are unavoidable, then special seal profiles should be used to protect the striking surface.
*Ra value chart referenced from https://www.cnccookbook.com/

4. Optimum Inflation Pressure
For most non-reinforced inflatable seals, the optimum Inflation pressure is up to 2 bar (28 PSI). Fabric reinforced inflatable seals on the other hand, can withstand pressures up to 12 bar (170 PSI).
In special conditions, the inflatable seal could demand higher inflation pressures. In such cases, the operational life of the seal could get hampered. Further, the replacement and downtime costs will also increase over time. More than 90 percent of all inflatable seal applications can effectively seal with pressures up to 2 bar.

5. Use Blunt Tools For Installation And Deinstallation
During installation and deinstallation of inflatable seals, very often operators tend to use sharp objects like screwdrivers, metal rods, and even pens in some cases. This is very dangerous as they might unknowingly damage the seal by creating a cut or rupture propagation point. Operators should be recommended to try and install seals using their hands; and only if required, to use blunt tools, having a radius of at least 10 mm on edges.

6. Check Seal Fitment And System Before Inflation
The seal must be securely fit in the groove and the system should be closed properly before releasing the air pressure. Many operators make the mistake of inflating the seal without it being fit properly in the groove. This results in certain areas being exposed, through which seal tries to expand, and this could result in seal rupture. As a thumb rule always check the seal fitment and system closure before turning on the pressure valve.

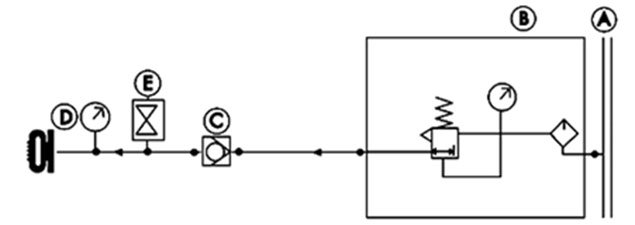
7. Check To Avoid Over Pressurization
Installation of control valves and pressure relief valves form the control check mechanism of the entire inflation system. An inflation system consists of air supply, air pipeline, air inlet valve, and inflatable seal.
Let’s say for example, the air supply pressure is at 6 bar and the inflatable seal requires 2 bar pressure for sealing. In such a case, a regulator control valve should be installed at the start point of the air supply to control the pressure to 2 bar. Then, a non-return valve should be installed in the line so that the line pressure doesn’t drop below the required 2 bar.
To overcome operator mistake or control valve failures, a pressure relief valve should be installed at the end of the line just before the air inlet valve.
This kind of arrangement prevents the inflatable seal from being over pressurized at any point of time. The whole arrangement should be as per the diagram below:
A: AIR SUPPLY
B: CONTROL PANEL
C: REGULAR VALVE
D: NON RETURN VALVE
E: NON RETURN VALVE

8. Inflate The Seal In Intervals
An inflatable seal should be gradually pressurized and with intervals i.e. inflate the seal at 0.5 bar, wait for 15-30 seconds, then increase the pressure again, continuing this cycle. Hold time during inflation can vary depending on the size of the seal. This kind of inflation prevents rapid heating of air due to pressure build, which could cause accelerated aging of the seal. Also, a sudden shock to the shape and volume of the seal is avoided, preventing physical damage.

9. Avoid Direct Sunlight
Protect your inflatable seal from direct sunlight and prevent direct contact with chemicals.
Although this may not be possible to implement with all seals, the designer should always design the system in such a way that seal is not directly come in contact with sunlight or chemicals. Over time, these factors affect the atomic bonds in rubber which reduces operational seal life.
To know more on our inflatable seals offering, click here



No comment yet, add your voice below!