Design Guide For
Inflatable Seals
Generally speaking, there are two major considerations that determine the Inflatable seal profile for an application ie geometry and the environment in which the seal will be functioning. Defining the geometry of your application means describing what you intend for the Inflatable seal to do mechanically in the application, and how you envision the Inflatable Seal’s placement in the application.
In other words, we need to know how much room there is in the application to mount the Inflatable seal, and how far the Inflatable seal will need to “inflate” to meet the striking surface. Western Rubbers carefully studies and uses the most appropriate combinations of elastomers and fabric reinforcements in designing and constructing the perfect inflatable seals for your application. These combinations are chosen in response to the geometric and environmental specifications of your application. A sketch/drawing of your application is most helpful for our engineers in determining the best inflatable seal for your application. You are not asked to specify the materials to be used; this question is resolved through a collaborative effort between you and Western Rubbers’ engineers, as you define the performance parameters of your application.

1. 100% Leak-Proof Sealing:
It is very essential for you to know the environment in which your Inflatable seal is going to be functioning i.e. whether the environment is acidic, gaseous, liquid, chemically reactive, etc. This also includes determining what solvents or liquids are going to come in contact with the Inflatable seal. This will enable us to determine the most appropriate raw material and compound for your inflatable seal.
Kindly refer to Western Rubbers’ Elastomer Comparison Chart to understand the properties of different types of rubber.

Differential Pressure
The second major consideration that helps decide the ideal seal configuration for your application is the pressure that the inflatable seal will experience. Differential pressure helps to determine what should the internal pressure of the seal be. The differential pressure can be positive or negative (vacuum). The pressure conditions will help us opt for a fabric reinforced or non-reinforced construction. Higher pressure Inflatable seals will normally require fabric reinforced construction. If the differential pressure is less than 8-10 Bar and average inflation cycles are less than 5000 per year, fabric reinforcement is not required.
Kindly refer to Western Rubbers’ Fabric Comparison Chart for understanding the properties of different fabrics for reinforcement.

Seal Inflation Gap
It is essential to know how much inflation is required by the Inflatable seal up till the striking surface. This specification will enable us to select the correct cross section for your Inflatable seal. Depending upon the application and positioning of the Inflatable seal, we can decide on the type of seal expansion, geometry, etc.
Kindly refer to Western Rubbers’ Seal Classification for more details.

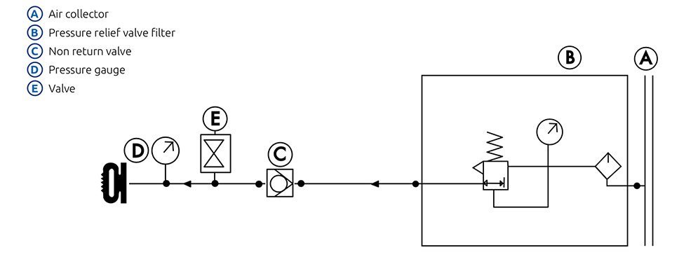
Safety Mechanisms
When designing the inflatable seals, certain applications require that the operation of the seal be specifically controlled or cycled. In such situations, a combination of control boxes, valves, regulators, gauges, alarms, and compressors may be required. Western Rubbers’ can provide a control device should your application require it. It is essential to know how much inflation is required by the seal up till the striking surface. This specification will enable us to select the correct cross section for your seal. Depending upon the application and positioning of the seal, we can decide on the type of seal expansion, geometry, etc.
Kindly refer to Western Rubbers’ Seal Classification for more details.



No comment yet, add your voice below!